项目选型及采购样品敬请下单前与我司商务实时确认。支持项目批量订购,请联系我司商务申请批量价格优惠。
我司可提供背光源或前光源等配套定制方案,如有需要请与我司商务联系确认!
产品类型:IPS
产品型号:ET130
面板尺寸:1.3英寸
分 辨 率:240(RGB)×240
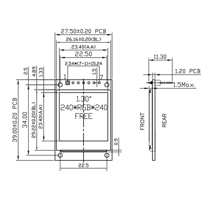
显示尺寸:27.5*39*11.3mm
外观尺寸:23.4*23.4mm
像素间距:0.975*0.975mm
信号接口: 4线SPI 12pin
显示颜色:全彩262K
驱动芯片:ST7789
工作电压:2.8.3.0V
工作温度:-20 ~ 70 °C
存储温度:-30 ~ 80 °C
应用于小型电子设备,智能手表,测试仪表,安防与门禁,车记录仪、POS机,树莓派Pico扩展模块,ESP32-S3等DIY项目


1.3寸液晶显示屏 专业集成配套方案

①.1.3寸液晶显示屏 触摸屏标品和定制
支持电触摸屏(I2C接口,SPI接口,USB接口,UART接口)/电阻触摸屏/触摸外观和功能定制/贴合生产
具体特征:高性价比、车用等级、工业等级、医疗等级的解决方案
针对极端环境之坚固耐用设计
可支持手套触控、多点触控、触控笔触控
具有防水性、抗盐水性、低反射率、3D手势触控等特征

②.1.3寸液晶显示屏 驱动板/转接板标品和设计定制
可配套点屏DEMO产品板、HDMI驱动板、AV驱动板等。

③.1.3寸液晶显示屏 整机成品方案 串口屏方案
HMI方案、WINDOW系统方案、安卓系统方案、树莓派方案、便携式副屏方案等。
