产品类型:AM oled液晶模组
产品型号:ET027PM01-X
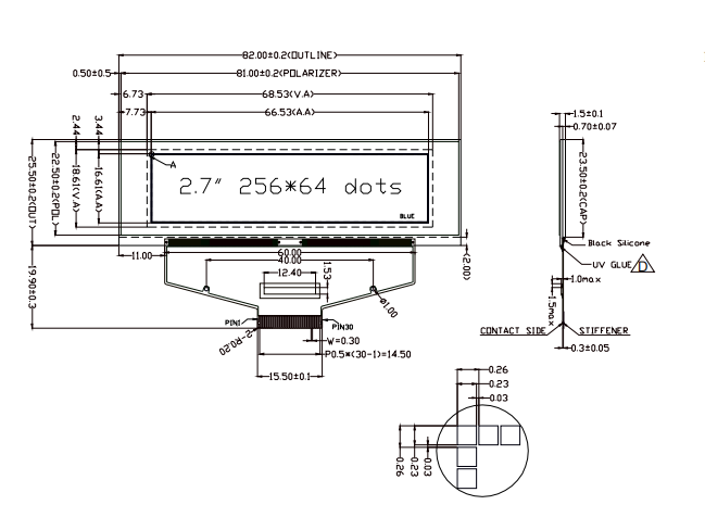
屏幕尺寸:2.7英寸
分辨率:256x64
面板亮度:60 cd/m²
面板接口:8-bit SPI 30Pins
显示色彩:262K
对比度:10000:1
帧频率:100Hz
驱动IC:SSD1322UR1
像素间距:0.26 (W) x 0.26(H)
外形尺寸:82.00 (W) x 25.50(H)mm
显示尺寸:66.53 (W) x 16.61(H)mm
视角(左右/上下/前后):自由视角
工作温度:-30℃~80℃
存储温度:-40℃~85℃
我司可提供背光源或前光源等配套定制方案,如有需要请与我司商务联系确认!

ET027PM01-X 专业集成配套方案

①.ET027PM01-X 触摸屏标品和定制
支持电容触摸屏(I2C接口,SPI接口,USB接口,UART接口)/电阻触摸屏/触摸外观和功能定制/贴合生产
具体特征:高性价比、车用等级、工业等级、医疗等级的解决方案
针对极端环境之坚固耐用设计
可支持手套触控、多点触控、触控笔触控
具有防水性、抗盐水性、低反射率、3D手势触控等特征

②.ET027PM01-X 驱动板/转接板标品和设计定制
可配套点屏DEMO产品板、HDMI驱动板、AV驱动板等。

③.ET027PM01-X 整机成品方案 串口屏方案
HMI方案、WINDOW系统方案、安卓系统方案、树莓派方案、便携式副屏方案等。
