项目选型及采购样品敬请下单前与我司商务实时确认后再拍。支持项目批量订购,请联系我司商务申请批量价格优惠。
我司可提供背光源或前光源等配套定制方案,如有需要请与我司商务联系确认!
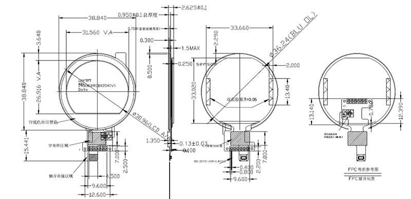
技术类型:a-Si TFT LCD液晶模组
面板型号:ET012FQV05-GT
面板尺寸:1.22英寸
分辨率:240x204
屏幕亮度:300 cd/m2
显示角度:80/80/80/80
对比度:700:1
外观尺寸:38.84*38.84*2.63mm
显示尺寸:26.316*30.958mm
驱动IC:ST7789V
信号接口:SPI 10Pin
显示颜色:262K
工作温度: -10 ~ 60 °C ; 存储温度: -20 ~ 60 °C

ET012FQV05-GT 专业集成配套方案

①.ET012FQV05-GT 触摸屏标品和定制
支持电容触摸屏(I2C接口,SPI接口,USB接口,UART接口)/电阻触摸屏/触摸外观和功能定制/贴合生产
具体特征:高性价比、车用等级、工业等级、医疗等级的解决方案
针对极端环境之坚固耐用设计
可支持手套触控、多点触控、触控笔触控
具有防水性、抗盐水性、低反射率、3D手势触控等特征

②.ET012FQV05-GT 驱动板/转接板标品和设计定制
可配套点屏DEMO产品板、HDMI驱动板、AV驱动板等。

③.ET012FQV05-GT 整机成品方案 串口屏方案
HMI方案、WINDOW系统方案、安卓系统方案、树莓派方案、便携式副屏方案等。
